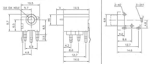
Home > Connectors > 3.5MM Phono Jacks > SJ-334
Dimensions subject to change without notice.

Shokai Far East Ltd. 9 Elena Court  Cortlandt Manor NY 10567 914-736-3500 Fax: 914-736-3656 
E-mail: sales@shokaifareast.com   http://www.shokaifareast.com