Home > Switches > Power Rocker Switches > MR-110


MR110-A

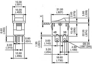
bulletPanel Cut-out 19.2MM x 12.9MM
bulletSPST, SPDT
bulletQuick-connect terminals
bulletIlluminated Switches (Green, Orange & Red Rocker)
bullet8(4)A 250VAC T85 (VDE SEV SEMKO DEMKO 
NEMKO FIMKO)
10A 125VAC 1/4HP 8A 250VAC 1/4HP (UL)
12A 125VAC 1/4HP 10A 250VAC 1/4HP (CSA)
bulletInitial Contact Resistance : 20 mil ohms max.
bulletInsulation Resistance: 100 meg ohms min. @ 500VDC
bulletDielectric Strength: 1K VAC for 1 minute
bulletElectrical Life: 10,000 Cycles 
bulletTemperature Range: -20 to +85 degrees. C
 
Model MR110-A MR110-B MR110-C MR110-D
Illumination Rocker Rocker  N/A N/A
Frame Colors Black  Black Black, Gray,
White
Black, Gray,
White
Rocker Colors Red, Orange,
Green
Red, Orange,
 Green 
Black, Gray,
White
Black, Gray,
White
Markings  O/- I/O, O/- I/O, O/- I/O, O/-
Switch Action SPST SPST SPST SPDT
Terminals Spade Lugs Solder Lugs Spade Lugs Spade Lugs
Dimensions subject to change without notice.
 

Shokai Far East Ltd. 9 Elena Court  Cortlandt Manor NY 10567 914-736-3500 Fax: 914-736-3656 
E-mail: sales@shokaifareast.com   http://www.shokaifareast.com