Home > Switches > Power Rocker Switches > BR-260


BR260-A

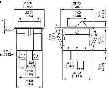
bulletPanel Cut-out 28.6MM x 25.4MM 
bulletSPST, DPDT
bulletQuick-connect terminals
bulletIlluminated Switches 
10A 250VAC 15A 125VAC (UL/CSA)
bulletInitial Contact Resist.: 20 mil ohms max.
bulletInsulation Resist.: 100 meg ohms min. 
@ 500VDC
bulletDielectric Strength: 1K VAC for 1 minute
bulletElectrical Life: 6,000 Cycles 
bulletTemperature Range: -10 to +65 degrees. C
Model BR260-A BR260-B
Illumination Lens
Neon Lamp
N/A 
Frame Colors Black Black
Rocker Colors Black Black
Markings  N/A N/A
Switch Action SPST,
DPST
SPST,
DPST
Terminals Spade Lugs Spade Lugs
Dimensions subject to change without notice.
 

Shokai Far East Ltd. 9 Elena Court  Cortlandt Manor NY 10567 914-736-3500 Fax: 914-736-3656 
E-mail: sales@shokaifareast.com   http://www.shokaifareast.com