Home > Switches > Power Rocker Switches > B-160


B160-A

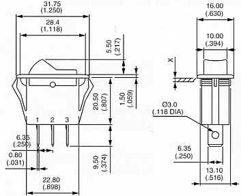
bulletPanel Cut-out 28.6MM x 13.7MM 
bulletSPST, SPDT
bulletQuick-connect terminals
bulletIlluminated Switches ( Green, Orange & Red Rocker)
bullet10A 250VAC 15A 125VAC (UL/CSA)
bulletInitial Contact Resistance : 20 mil ohms max.
bulletInsulation Resistance : 100 meg ohms min. @ 500VDC
bulletDielectric Strength: 1K VAC for 1 minute
bulletElectrical Life: 6,000 Cycles 
bulletTemperature Range: -10 to +65 degrees. C
Model B160-A B160-B B160-C B160-D
Illumination Rocker N/A  Rocker N/A
Frame Colors Black,
 White 
Black Black, 
White
Black, 
Gray
Rocker Colors Red, Orange,
Green
Red, Black Red, Orange Black, Gray
Markings  O/- On/Off,
On/On
N/A On/Off
O/-
Switch Action SPST SPST,
SPDT
SPST SPST
Terminals Spade Lugs Solder Lugs Spade Lugs Spade Lugs
Dimensions subject to change without notice.
 

Shokai Far East Ltd. 9 Elena Court  Cortlandt Manor NY 10567 914-736-3500 Fax: 914-736-3656 
E-mail: sales@shokaifareast.com   http://www.shokaifareast.com